Egendefinert modulær bygningsdesign for indonesisk gruvecamp
Dette prosjektet er skreddersydd for et stort indonesisk gruveselskap, som har som mål å tilby modulbygg for-innkvartering, inkludert to typer boligbygg: en for ledere og den andre for arbeidere. Basert på CBCs Flatpack containerhussystem, tar prosjektet i bruk en standardisert modulær design (2,25m×4m per containermodul) for å lette masseproduksjon i fabrikker, transport til ytre ytre øyer i Indonesia og-montering på stedet
produkt introduksjon
Tilpasset modulær bygningsdesign for indonesisk gruvecamp (CBC Flatpack Container House System) og markedsanalyse

1. Prosjektoversikt
Dette prosjektet er skreddersydd for et stort indonesisk gruveselskap, som har som mål å tilby modulbygg for-innkvartering, inkludert to typer boligbygg: en for ledere og den andre for arbeidere. Basert på CBCs Flatpack containerhussystem, tar prosjektet i bruk en standardisert modulær design (2,25m×4m per containermodul) for å lette masseproduksjon i fabrikker, transport til ytre ytre øyer i Indonesia og-montering på stedet. De modulære bygningene er designet med høy værbestandighet for å tilpasse seg det tøffe miljøet på de indonesiske ytre øyene. De detaljerte kravene og designskjemaene er som følger:
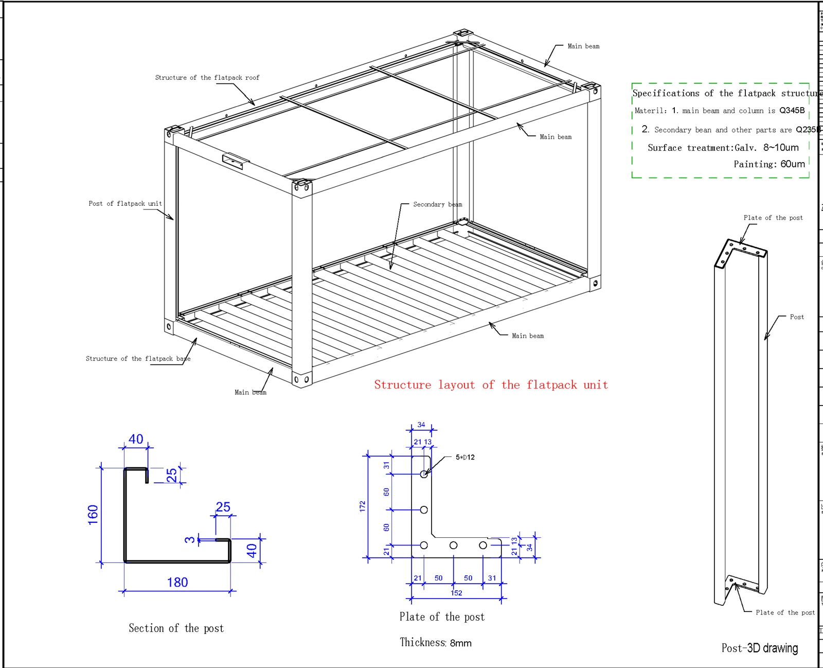
CBC Flatpack Container House System: Kjernen i systemet er den tilpassede 2,25m×4m flatpack containermodulen, som er prefabrikkert på fabrikken og raskt kan monteres på-stedet. To moduler skjøtes langs langsidene for å danne et 4,5m×4m rom (18 kvadratmeter). Begge typer boligbygg tar i bruk samme modulstørrelse, noe som realiserer masseproduksjon, reduserer kostnader og forkorter byggeperioden.
2. Modulær bygningsdesign
2.1 Overnattingsbygning for ledelsespersonell
2.1.1 Grunnleggende spesifikasjoner
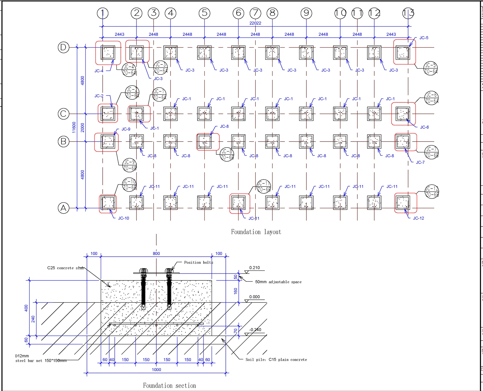
Hvert enkeltrom har et byggeareal på 18 kvadratmeter (oppfyller kravet på 16-20 kvadratmeter), inkludert et uavhengig bad. Totalt antall lederrom er ca 250. Bygget er utformet som en to-etasjes struktur, med 12 rom per etasje og 24 rom per bygning. Det kreves totalt ca. 11 bygninger for å dekke behovet for 250 rom (11×24=264 rom, noe som overstiger behovet for å sikre fleksibilitet).
2.1.2 Layoutdesign
Romoppsett: Hver etasje har 6 rom anordnet overfor hverandre på sørsiden, med en 2-meter bred korridor i midten. Korridoren tar i bruk CBCs tilpassede stålstrukturkorridorsystem, noe som sikrer stabilitet og sikkerhet.
Romstruktur: Hvert rom er dannet ved å skjøte to 2,25m×4m flatpack containermoduler, med en total størrelse på 4,5m×4m (18 kvadratmeter). Rommet er delt i to deler: et 3m×4m (12 kvadratmeter) oppholdsrom og et 1,5m×4m (6 kvadratmeter) baderomsareal.
Fasilitetskonfigurasjon: Boarealet er designet for én person (lederpersonell), med grunnleggende boareal reservert. Badet er utstyrt med toalett, servant og integrert dusj, som oppfyller de uavhengige sanitærbehovene til ledelsen.
Trappekonfigurasjon: To sett med øvre og nedre trapper er satt i begge ender av hver bygning, noe som sikrer jevn sirkulasjon av personell og nødevakuering.

2.2 Arbeidernes sovesalbygning
2.2.1 Grunnleggende spesifikasjoner
Hvert enkeltrom har et byggeareal på 18 kvadratmeter (i samsvar med ledelsesrommet, som oppfyller kravet på 16-20 kvadratmeter), uten et uavhengig bad. Hvert rom har plass til 4 arbeidere, og det totale antallet arbeidere som skal innkvarteres er omtrent 1600, så totalt 400 rom kreves (1600÷4=400 rom). Bygningen er en to-etasjers struktur, med 14 rom per etasje og 28 rom per bygning. Det kreves totalt ca. 15 bygninger (15×28=420 rom, reservert for fremtidig utvidelse).
2.2.2 Layoutdesign
Romoppsett: Hver etasje har 7 rom anordnet overfor hverandre på nord- og sørsiden, med en 2-meter bred korridor i midten (samme som forvaltningsbyggets korridorsystem, som sikrer standardisert produksjon og installasjon).
Romstruktur: Hvert rom er også dannet ved å skjøte to 2,25m×4m flatpack containermoduler, med en total størrelse på 4,5m×4m (18 kvadratmeter). Rommet er utformet som et åpent oppholdsrom, med 4 1.2m×2m senger rimelig plassert og en 1,5m-bred korridor i midten for å sikre jevn passasje for arbeiderne.
Offentlige sanitæranlegg: To 4,5m×4m moduler er lagt til på østsiden av hver etasje (en i nord og en på sør), og fungerer som offentlige toaletter og dusjer. De offentlige fasilitetene er rimelig konfigurert i henhold til antall arbeidere (40 arbeidere per etasje, 2 offentlige sanitærmoduler, noe som sikrer tilstrekkelig bruksplass og effektivitet).
Trappekonfigurasjon: Samme som ledelsesbygningen, er to sett med øvre og nedre trapper satt i begge ender av hver bygning, noe som letter personellflyt og nødevakuering.

2.3 Felles konstruksjonsdesign
Korridorsystem: Alle bygninger tar i bruk CBCs tilpassede korridorsystem i stålstruktur, med 18 mm sementfibergulvplater + 2mm PVC-gulvbelegg og korridortak installert for å forbedre komfort og holdbarhet.
Taksystem: Hver bygning er utstyrt med CBCs lette ståltaksystem, bestående av 0,5 mm farge stålstein + 100mm glassull isolasjonslag. Dette systemet har god termisk isolasjonsytelse og værbestandighet, og tilpasser seg høye-temperaturer og regnfulle omgivelser på de ytre indonesiske øyene.
Modulære funksjoner: Alle moduler er utformet med samme størrelse (2,25m×4m) for å lette masseproduksjon på fabrikken, redusere produksjonskostnadene og forenkle-montering på stedet. Flatpack-designen sikrer praktisk transport til avsidesliggende ytre øyer (moduler kan stables og lastes i containere for transport).
Værbestandighet: Modulbygningene er utformet med høy værbestandighet, inkludert anti-korrosjonsbehandling for stålkonstruksjoner, vanntett behandling for tak og vegger, og fuktighetssikker behandling for gulv, tilpasset fuktig, høy-temperatur og salt-spraymiljøet på de indonesiske ytre øyene.

3. Materialliste
3.1 Prinsipper for materialvalg
Alle materialer valgt for dette prosjektet overholder internasjonale standarder og CBC Flatpack containerhussystemkrav, med høy holdbarhet, værbestandighet og enkel montering. Materialene er egnet for det tøffe miljøet på indonesiske ytre øyer (høy temperatur, høy luftfuktighet, saltspray) og kan prefabrikkeres på fabrikken for å sikre kvaliteten og effektiviteten til modulær produksjon.
3.2 Detaljert materialliste (per bygning, med ledelsesbygning som referanse; arbeiderbygning har små forskjeller i sanitæranlegg)
|
Materialnavn |
Spesifikasjon |
Bruksbeskrivelse |
Estimert mengde (per ledelsesbygning) |
Estimert mengde (per arbeiderbygning) |
|
Flatpack containermodul |
2,25m×4m, stålrammekonstruksjon |
Grunnmodul for rom, korridor og offentlige fasiliteter; prefabrikkert i fabrikk |
24 moduler (12 rom × 2 moduler/rom) |
32 moduler (14 rom × 2 moduler/rom + 2 offentlige moduler/etasje × 2 etasjer) |
|
Stålkonstruksjon for korridor |
CBC-tilpasset stålramme, galvanisert anti-korrosjon |
Støtte for korridorgulv og tak; sikre stabilitet |
40 meter (20m/etasje × 2 etasjer) |
44 meter (22m/etasje × 2 etasjer) |
|
Gulvbrett |
18 mm sementfiberplate |
Korridor gulv base; fuktsikker-og slitasjebestandig- |
80㎡ (40m × 2m) |
88㎡ (44m × 2m) |
|
PVC-gulv |
2 mm tykk, anti-og vanntett |
Dekker korridorgulv; forbedrer komforten og enkel rengjøring |
80㎡ |
88㎡ |
|
Korridortak |
CBC-tilpasset lett ståltak, brannsikkert- |
korridor tak; lydisolasjon og skjønnhet |
80㎡ |
88㎡ |
|
Lett ståltaksystem |
0,5 mm farge stålfliser + 100mm glassullisolasjon |
Bygge taket; termisk isolasjon, vanntett og værbestandig- |
220㎡ (4,5 m × 24,5 m, inkludert korridor og rom) |
250㎡ (4,5 m × 27,8 m, inkludert korridor, rom og offentlige fasiliteter) |
|
Trappe stålkonstruksjon |
CBC-tilpasset ståltrapp, galvanisert anti-korrosjon |
Øvre og nedre trapp i begge ender av bygget |
2 sett (hvert sett: 3 m høy, 1,2 m bred) |
2 sett (samme som ledelsesbygning) |
|
Baderomsfasiliteter (ledelse) |
Toalett, servant, integrert dusj, vanntett gulv |
Uavhengig bad for lederrom |
12 sett (1 sett/rom) |
0 sett (offentlige fasiliteter separat konfigurert) |
|
Offentlige sanitæranlegg (arbeidere) |
Toaletter, dusjer, servanter, vanntette gulv- og veggfliser |
Offentlige toaletter og dusjer for arbeidere |
0 sett |
4 sett (2 sett/gulv) |
|
Senger (arbeidere) |
1,2m×2m, stålrammeseng med madrass |
Arbeiderhybelovernatting |
0 sett |
28 sett (14 rom × 2 senger/rom × 2 etasjer) |
|
Anti-korrosjonsbelegg |
Epoksy sink-rik grunning + toppstrøk |
Anti-korrosjonsbehandling for alle stålkomponenter; tilpasse seg salt-spraymiljøet |
300㎡ (beleggområde) |
350㎡ (beleggområde) |
|
Koble deler |
Høy-bolter, sveiseelektroder, tetningslister |
Tilkobling av moduler, stålkonstruksjoner og fasiliteter; vanntett og fast |
Høy-bolter: 2000 stykker; Sveiseelektroder: 1,5 tonn; Tetningslister: 100 meter |
Høy-bolter: 2500 stykker; Sveiseelektroder: 2 tonn; Tetningslister: 120 meter |

3.3 Totalt materialesammendrag (for hele prosjektet: 11 forvaltningsbygninger + 15 arbeiderbygninger)
Flatpack containermoduler: 11×24 + 15×32=264 + 480=744 moduler
Stålkonstruksjon for korridor: 11×40 + 15×44=440 + 660=1100 meter
Sementfibergulvplater og PVC-gulv: 11×80 + 15×88=880 + 1320=2200㎡ (hvert materiale)
Lett ståltaksystem: 11×220 + 15×250=2420 + 3750=6170㎡
Trappestålstruktur: (11+15)×2=52 sett
Baderomsfasiliteter: 11×12=132 sett (administrasjon); 15×4=60 sett (offentlige arbeidere)
Arbeidersenger: 15×28=420 sett
Anti-korrosjonsbelegg: 11×300 + 15×350=3300 + 5250=8550㎡
4. Prosjektgjennomførbarhet og anvendbarhetsanalyse
4.1 Mulighetsanalyse
Gjennomførbarhet for prefabrikasjon og masseproduksjon:Basert på CBCs Flatpack containerhussystem, har alle moduler samme størrelse (2,25m×4m), som kan masseproduseres- på fabrikken. Prefabrikasjonsgraden når over 90%, noe som sikrer stabil produktkvalitet og høy produksjonseffektivitet. Den standardiserte utformingen reduserer design- og produksjonskostnadene, noe som gjør stor-prosjektimplementering mulig.
Mulighet for transport:Flatpack-designen til modulene muliggjør enkel stabling og lasting i standard fraktcontainere, som er egnet for transport til indonesiske ytre øyer (hvor transportforholdene er relativt begrensede). Hver fraktbeholder kan laste 8-10 flatpack-moduler, noe som reduserer transportkostnadene og forbedrer transporteffektiviteten. Modulene er lette i vekt, og det kreves ikke noe-transportutstyr i stor skala for overføring på stedet.
Konstruksjonsmulighet:Monteringen av modulene- på stedet er enkel og rask, og krever kun et lite antall profesjonelle arbeidere og enkelt konstruksjonsutstyr. Monteringsperioden for hver bygning er ca. 7-10 dager, og hele prosjektet kan fullføres i løpet av 3-4 måneder (for å møte de presserende behovene for innkvartering til gruveprosjekter). Monteringsprosessen har liten innvirkning på miljøet på stedet, som er i tråd med miljøvernkravene til indonesiske gruveområder.
Mulighet for værbestandighet:De utvalgte materialene (galvanisert stålstruktur, anti-korrosjonsbelegg, 0,5 mm farge stålfliser, 100 mm glassull) har god værbestandighet, som effektivt kan motstå høy temperatur, høy luftfuktighet, saltspray og kraftig regn på de ytre indonesiske øyene. Den vanntette og anti-korrosjonsbehandlingen av modulene sikrer at bygningens levetid når mer enn 15 år, og oppfyller de langsiktige-bruksbehovene til gruveleire.

4.2 Anvendelsesanalyse
Anvendelse for indonesiske ytre øyer:De modulære bygningene er designet med lav vekt, enkel transport og montering, som er perfekt egnet for den avsidesliggende beliggenheten og begrensede transport-/konstruksjonsforhold til de indonesiske ytre øyene. Den værbestandige-designen tilpasser seg det lokale tropiske havklimaet, og unngår skade på bygningen forårsaket av hardt vær.
Anvendelse for gruvecampbehov:Utformingen av to typer bygninger (ledelse og arbeidere) møter de ulike boligbehovene til gruvepersonell. Lederrommene med uavhengige bad sikrer privatliv og komfort, mens arbeidernes sovesaler med offentlige sanitærfasiliteter oppfyller de store-overnattingsbehovene og kontrollerer kostnadene. Romutformingen er rimelig, og støttefasilitetene (korridor, trapper, offentlige fasiliteter) er komplette, noe som sikrer personellets daglige liv.
Anvendelse for CBC-system:Prosjektet er fullt basert på CBCs Flatpack containerhussystem, og utnytter systemets fordeler med standardisering, modularisering og prefabrikasjon fullt ut. Den konsekvente modulstørrelsen sikrer utskiftbarhet av komponenter, noe som er praktisk for senere vedlikehold, utskifting og utvidelse. Samtidig kan det gi full spill til CBCs tekniske og produksjonsmessige fordeler, og sikre prosjektets kvalitet og fremdrift.
Anvendelse for stor-innkvartering:Prosjektet kan gi innkvartering for rundt 264 ledere (11 bygninger) og 4200 arbeidere (15 bygninger), noe som overgår kundens behov (250 ledere og 1600 arbeidere), noe som gir tilstrekkelig plass for fremtidig prosjektutvidelse. Den modulære utformingen gir mulighet for fleksibel justering av antall bygninger i henhold til det faktiske antallet personell.

5. Fordeler og ulemper Analyse
5.1 Fordeler
Høy standardisering og masseproduksjon:Samme modulstørrelse (2,25 m×4 m) brukes for alle bygninger, som kan masseproduseres- på fabrikken, noe som reduserer produksjonskostnadene og sikrer konsistent produktkvalitet. De standardiserte komponentene er praktiske for senere vedlikehold og utskifting.
Enkel transport og rask montering:Flatpack-designen til modulene er egnet for lang-transport (spesielt til avsidesliggende ytre øyer), og monteringen på-stedet er enkel og rask, forkorter byggeperioden og møter de presserende overnattingsbehovene til gruveprosjekter.
Sterk værbestandighet:Materialene og den strukturelle utformingen er optimalisert for det tøffe miljøet på de ytre indonesiske øyene, med god anti-korrosjon, vanntett, termisk isolasjon og anti-vindytelse, noe som sikrer langsiktig- stabil bruk av bygningene.
Fleksibel og utvidbar: Den modulære strukturen gir mulighet for fleksibel justering av antall bygninger og rom i henhold til de faktiske behovene til gruveprosjektet. Modulene kan demonteres og gjenbrukes, noe som er miljøvennlig og kan redusere sløsing med ressurser når prosjektet er ferdigstilt.
Kostnadseffektiv-:Sammenlignet med tradisjonelle betongbygg har modulbyggene lavere byggekostnader (omtrent 50%-60% av tradisjonelle bygg) og kortere byggeperioder, noe som reduserer investeringsrisikoen til gruveselskapet. Den lange levetiden og lave vedlikeholdskostnadene forbedrer kostnadsytelsen ytterligere.
God komfort:Korridorsystemet med PVC-gulv og tak, det termiske isolasjonstaket med glassull og den rimelige romoppsettet forbedrer bokomforten til personell, og bidrar til å forbedre arbeidseffektiviteten til gruvepersonell.

5.2 Ulemper
Høye første transportkostnader:Selv om modulene er enkle å transportere, kan den lange-transporten fra CBCs fabrikk til de indonesiske ytre øyene føre til høye transportkostnader, spesielt når antallet moduler er stort (744 moduler for hele prosjektet).
Avhengighet av profesjonelt monteringsteam: -monteringen av modulene på stedet krever profesjonelle arbeidere som er kjent med CBCs Flatpack-beholderhussystem. Hvis det lokale monteringsteamet ikke er profesjonelt nok, kan det påvirke monteringskvaliteten og fremdriften, og ekstra opplæringskostnader kan kreves.
Begrenset plassfleksibilitet på rommene:Romstørrelsen er fast (4,5m×4m) på grunn av den modulære designen, som ikke kan justeres fleksibelt i henhold til de individuelle behovene til gruveselskapet. Det er for eksempel vanskelig å utvide et enkeltrom eller endre romoppsettet.
Høyere opprinnelige materialkostnader: Stålmaterialene og tilbehøret av høy-kvalitet som brukes i modulbyggene har høyere startkostnader enn tradisjonelle byggematerialer, noe som kan øke den første investeringen i prosjektet (men den langsiktige vedlikeholdskostnaden er lavere, og oppveier en del av startkostnaden).
Påvirkning av ekstremvær:Selv om bygningene har god værbestandighet, kan de fortsatt bli påvirket av ekstremvær som sterke tyfoner på de ytre indonesiske øyene, noe som krever ytterligere forsterkningstiltak (økende prosjektkostnader).

6. Målmarked og målkundeanalyse
6.1 Målmarked
Målmarkedet for dette modulære byggeprosjektet er hovedsakelig konsentrert i Indonesia, spesielt gruveområdene på ytre øyer, og kan utvides til andre sørøstasiatiske land med lignende geografiske og industrielle egenskaper. Den spesifikke markedsposisjoneringen er som følger:
Geografisk marked:Fokuser på indonesiske ytre øyer (som Sumatra, Kalimantan, Sulawesi), hvor det er et stort antall store-gruveprosjekter (kull, nikkel, kobber osv.). Disse områdene er avsidesliggende, med begrensede transport- og byggeforhold, og etterspørselen etter midlertidig/permanent innkvartering for gruvepersonell er enorm. Samtidig kan de utvides til andre Sørøst-asiatiske land med avsidesliggende gruveområder (som Filippinene, Malaysia, Myanmar).
Industrimarked:Fokuser på gruveindustrien, inkludert store-kullgruver, nikkelgruver, kobbergruver og andre gruveprosjekter. I tillegg kan det også utvides til andre bransjer med avsidesliggende byggeplasser og store-personellinnkvarteringsbehov, som olje- og gassleting, infrastrukturbygging (motorveier, jernbaner) og hogst.
Markedsegenskaper:Målmarkedet er hovedsakelig store-prosjekter med presserende behov for overnatting, avsidesliggende byggeplasser og begrensede transport-/konstruksjonsforhold. Kunder i dette markedet legger mer vekt på bygningenes transportvennlighet, monteringshastighet, værbestandighet og kostnadsytelse, og har høye krav til standardisering og kvalitet på produktene.

6.2 Målrette kunder
Målkundene for dette prosjektet er hovedsakelig store-skalabedrifter med eksterne prosjektnettsteder og store-personellbehov, spesielt gruveselskaper i Indonesia. Spesifikt inkluderer de:
Store-indonesiske gruveselskaper:Slik som PT Freeport Indonesia (kobbergruvedrift), PT Adaro Energy (kullgruvedrift), PT Vale Indonesia (nikkelgruvedrift). Disse selskapene har et stort antall gruveprosjekter på ytre øyer, med tusenvis av ansatte (ledelse og arbeidere) som trenger innkvartering. De har tilstrekkelige midler og tar hensyn til komforten og sikkerheten til de ansattes innkvartering, som er kjernemålgruppen.
Internasjonale gruveselskaper som investerer i Indonesia:Slik som BHP Billiton, Rio Tinto og andre internasjonale gruvegiganter. Disse selskapene har strenge krav til prosjektkvalitet, sikkerhet og miljøvern, og modulbyggene basert på CBCs Flatpack-system kan oppfylle deres høye standarder. De er viktige potensielle målkunder.
Ingeniørkonstruksjonsselskaper som utfører gruveprosjekter: Selskaper som driver med konstruksjon av gruveinfrastruktur, installasjon av gruveutstyr og andre virksomheter på de ytre indonesiske øyene. Disse selskapene må skaffe innkvartering til bygningspersonell (i likhet med gruvearbeidere), og modulbyggene er egnet for deres midlertidige eller langsiktige-innkvarteringsbehov.
Offentlige eller foretaksenheter som utfører fjernområdeutvikling:Indonesiske myndighetsavdelinger eller foretak som er engasjert i utviklingen av ytre øyer (som infrastrukturbygging, ressursutvikling) må sørge for overnatting til-personell på stedet, og modulbyggene kan dekke deres behov for praktisk transport, rask montering og værbestandighet.

7. Konklusjon
Basert på CBCs Flatpack containerhussystem, oppfyller den tilpassede modulære leiren designet for det store indonesiske gruveselskapet kundens krav til ledelse og arbeiderinnkvartering. De to typene bygninger tar i bruk standardiserte moduler, med rimelig layout, komplette fasiliteter, sterk værbestandighet og høy kostnadsytelse. Prosjektet er gjennomførbart når det gjelder prefabrikasjon, transport, konstruksjon og værbestandighet, og har sterk anvendelighet til indonesiske ytre øyer og behov for gruveleire.
Selv om prosjektet har noen ulemper som høye innledende transportkostnader og avhengighet av profesjonelle monteringsteam, oppveier dets generelle fordeler (standardisering, rask montering, værbestandighet, fleksibilitet,{0}}kostnadseffektivitet) ulempene. Fra markedsperspektivet har målmarkedet (indonesiske ytre gruveområder på øya) et stort potensial, og målkundene (store gruveselskaper, internasjonale gruvegiganter, ingeniørkonstruksjonsselskaper) er klare. Med den kontinuerlige utviklingen av gruveindustrien i Indonesia og andre Sørøst-asiatiske land, vil etterspørselen etter modulære overnattingsbygg egnet for avsidesliggende områder fortsette å vokse. Denne typen prosjekter basert på CBCs Flatpack containerhussystem har brede utviklingsmuligheter og markedskonkurranseevne.
Du kommer kanskje også til å like
Sende bookingforespørsel









